Описание предоставлено архитекторами
Многоуровневый паркинг с автомойкой построен в развивающемся жилом районе "NEW Питер".
Паркинг NEWПИТЕР 2. Западный фасад
Фотография © Артем Агекян
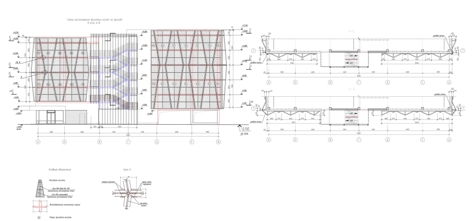
Геометричные фасады прямоугольного здания отсылают к айдентике компании застройщика, а также являются визуальным продолжением соседнего паркинга, введенного в эксплуатацию годом ранее. Блики и переливы на панелях от неба, солнца, облаков и других факторов вкупе с геометрией фасада производят особое впечатление.
Паркинг NEWПИТЕР 2. Восточный фасад
Фотография © Артем Агекян
Паркинг NEWПИТЕР 2. Вид с первым паркингом
Фотография © Артем Агекян
Основными фасадными материалами являются металлическая сетка PressMesh, обрамленная профилем, и белая штукатурка. Нестандартная конфигурация и размер кассет стали основанием для разработки индивидуальной каркасно-металлической подсистемы. Ее изготовили и собрали на производстве, а затем привезли на место стройки, где оперативно установили каждый элемент. Такое решение экономично за счет скорости сборки и легкости строительного процесса.
Паркинг NEWПИТЕР 2. Восточный фасад
Фотография © Артем Агекян
Паркинг NEWПИТЕР 2. Металические панели
Фотография © Артем Агекян
Металлические сетчатые панели обладают и другими преимуществами. Они обеспечивают хорошую вентиляцию, что особенно важно для паркинга, где накапливается запах от автомобилей и выхлопных газов. Также кассеты пропускают естественный свет, уменьшая зависимость паркинга от искусственного освещения. Это положительно сказывается на энергоэффективности.
Паркинг NEWПИТЕР 2. Металлические панели
Фотография © Артем Агекян
Паркинг NEWПИТЕР 2. Металлические панели
Фотография © Артем Агекян
В торцевых частях расположены лифтовой и лестничный узлы. Пожарная лестница выделена отдельным объемом на боковом фасаде. Въезд в паркинг осуществляется с угла заднего фасада, а межуровневые рампы располагаются в центральной части сооружения.
Паркинг NEWПИТЕР 2. Юго-восточный фасад
Фотография © Артем Агекян
Паркинг NEWПИТЕР 2. Южный фасад
Фотография © Артем Агекян
