Музей Z в деревне Сунчжуан
Фото © Jonathan Leijonhufvud
Это музей текстильного искусства и конкретно ткачества в деревне Сунчжуан округа Сунъян. Территория округа – поросшие густым лесом горы на востоке Китая, в провинции Чжэцзян; в долинах здесь расположились деревушки, которые в наши дни не слишком процветают экономически. Местные власти развивают туризм: живописные пейзажи и не менее живописные традиции привлекают путешественников.
Музей Z в деревне Сунчжуан
Фото © Jonathan Leijonhufvud
Деревня Сунчжуан – малоизвестная и малодоступная даже по меркам Сунъяна: большинство его жителей не только там никогда не бывали, но даже и не слышали о ней, пока в 2017 ее не коснулись меры по развитию туризма. Деревне 600 лет, она полностью сохранила традиционную застройку из глинобитных домиков под черепичными крышами. Выделялся здесь лишь один дом 1990-х из кирпича и бетона. Его и решили превратить в музей, посвященный традициям и современным подходам к ткачеству.
Музей Z в деревне Сунчжуан
Фото © Jonathan Leijonhufvud
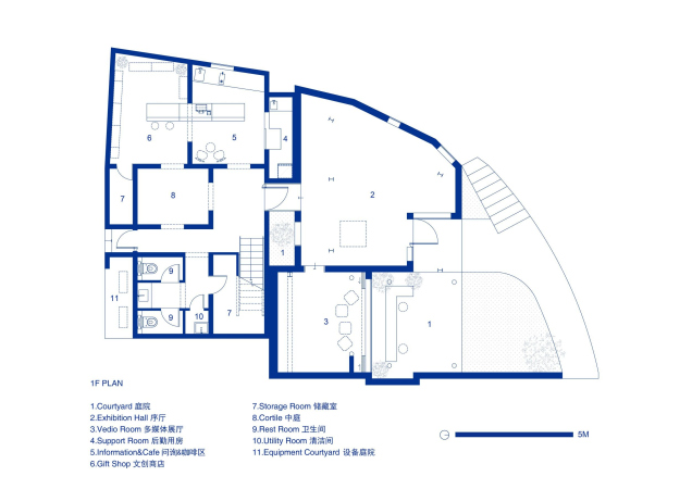
Заказчики сразу предложили архитекторам TEAM_BLDG сохранить главное качество перестраиваемого дома – его непохожесть на остальные деревенские постройки. Но эта непохожесть теперь стала более лиричной и уместной: фасады закрыли экраном из алюминиевых трубок с сечением 20x40 мм. Три стороны каждой трубки покрасили в красный цвет, а одну – в белый, поэтому цвет здания зависит от точки зрения. Интервалы между трубками настроены вручную, наверху – плотнее, ниже – свободнее. Так возникает образ натянутых на ткацкий станок нитей основы.
Вход устроен в прилегающей глинобитной постройке, оставшейся практически нетронутой. Окна в трехэтажном музее пробили заново, чтобы кадрировать эффектные виды; естественное освещение также дает сооруженный в центре двор – световой колодец. Третий этаж сделан полуоткрытым, выше устроена еще одна терраса: эти красные пространства предназначены для любования пейзажем.
Музей Z в деревне Сунчжуан
Фото © Jonathan Leijonhufvud
Для музейного кафе архитекторы создали серию мебели «Челнок» из 20-миллиметровых текстильных лент и алюминиевых трубок 20х20 мм.
На первой выставке показывают произведения, созданные китайскими и зарубежными художниками совместно с местными жителями, хранящими вековые традиции ткачества. Экспонаты можно посмотреть здесь.
Музей Z в деревне Сунчжуан
Фото © Jonathan Leijonhufvud
Музей Z в деревне Сунчжуан
Фото © Jonathan Leijonhufvud
Музей Z в деревне Сунчжуан
Фото © Jonathan Leijonhufvud
